[メンテ23]
(←前)
(次→)
第16話 「ドナー確保、物欲全開!」
(作成:2001年10月27日 改訂:2001年10月28日)
(TEXT & PHOTO : kuma3 / E21-320i )
“バイエルンの山猫” E-21系320iA 再生物語
Vol.6:‘94年8月号 『ドナー確保、物欲全開!』
年が変わり、いつものように巡ってくる春。この年の車検は、完全に対策したせいで、
別に問題もなし。排ガスの濃度もキャタ付きのおかげで0.05〜0.0%・20〜50ppmと“地球に
やさしい”車となってしまった。そんなある日、知り合いの業者が尋ねてきて「こんなの
つついてるん?ウチにあるプレート切って投げてるのを3万円で分けてあげようか」…ぜひ。
運んで帰ったのは80年頃の318iでアメリカ仕様の並行モノ。320iと同じくZF 3HP-22型
のA/Tを積み、何よりも内外装の程度が良いのが嬉しい。更にショックはビルシュタインに
換装されていて、まだピンピンしている。ホイールは13インチのままだが4本揃っているので
冬タイヤ用にもってこい…と移植したいところがテンコ盛りで、どこから手をつけようか、
ワクワクしてしまう。(どっちみち、コンクール・デレガンスに出展するわけじゃなし…お好み次第!!)
まずは内装。元の塗色(赤)に合せた(経年劣化でくすんだような)ベージュ色だったのを
ドア・足下からリヤシートまで、総て交換。今の紺色に合せたような暗めのブルーに包まれると、
それだけで陶酔できそうな気になるのが不思議。
次にショック。元々コニーが入っていたが、そろそろオイルが滲んでヘタってきていたのを
憧れのビルシュタインに。トランク内に潜り込んで、サスペンション上側の締め付けを行って
いる最中、頭の中に“あっ、あーっ。”という官能的な声が聞こえた気がした。もちろん周囲
には誰もいないし、不純なコトを考えていたわけではないのだが確かに聞いた。
これが320iの歓びの声だとしたら私自身も嬉しいのだが、単なる幻聴にすぎないのだろう。
(オカルトっぽくて失礼)
エキゾースト系は幸運にもANSAが入っていたが、一つ問題なのはマニホールドとダウン
パイプの継ぎ手ボルトが横並びと縦並びで320iと異なる点。Ex.マニとダウンパイプは318iの
を使用。センタサイレンサ以後はANSA純正セットにして、毎年、お世話になるキャタ・キットは
ダウンパイプとセンタサイレンサの四角いフランジ部で交換可能とした。
318iは後期型で、BOSCHフル・トラ点火、パワーウィンド、リモコンミラーが装備されていたが、
320iはフル・トラとPWは社外品ながら対応済みだし、ミラーの向きをコチョコチョ動かすため
だけに、ドアごと交換(通線穴や取り付け穴の関係で)して塗装するのも大げさだし、飽きるほど
乗ってからでも間に合うか…で、それぞれの部品ごとにストック。
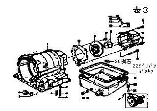
そしてA/T本体。失敗した時も乗せ替え可能(サイテー!)というこの上ない自信に裏付けられた
分解整備に挑戦!。例によって、部品発注の際の確認に送ってくれるパーツ図(注:どの店でも
同様ではありません。期待しないで下さい)をコピーしてメモをとり、あとは写真が頼り
(注:後日、ヘインズのマニュアルを見てみるとA/T内部の分解は掲載されていなかった。
バラすな…と言う事か?)。













手探りの状態ながら、無謀にも各速ギアのクラッチプレートやオイルシール
を交換し、もちろん、フィルターも清掃。いったん、社外のフルードを入れて少し回して各部を
なじませた後、行きつけのショップで“いい”フルードに全交換。アクセル開度にもよるが、今まで
40km/h台で2速に切り替わっていたのが、同様の踏み加減で60km/h台近くまで伸びてから
切り替わっている。伝達効率が向上したためかどうかはわからないが、予想以上の結果に、
大いに希望がわいた。ドナー(318i)には感謝するばかり…。
〜 続く 〜
[メンテ23]
(←前)
(次→)