[メンテ22]
(←前)
(次→)
第124話 「ブレンボ装着2(準備編) H19年7月」
(作成:2007年7月24日 改訂:2007年7月25日)
(TEXT & PHOTO : 秀丸 / E46 320i)
取り付けのためにナットの修正を行います。
1/2インチのナットは特殊で頭の部分は1/2インチですがネジ部は7/16インチです。
殆ど肉厚が無いので大きなトルクはかけられません。
たぶんオーバートルクのためナットが潰れたのかなと思います。

1/2インチのナットを直すためにインチネジ用のタップをホームセンターで探したのですが
見つからず仕方なくオークションで購入してネジを切り直しました。
本当は新品にする方が良いのでしょうが購入場所が判りませんでした。
GTキットを販売しているところにWebでの問い合わせをしてみたのですが返事も帰ってきませんでした。
後1/2インチのソケットを近くのホームセンターで購入(今後のメンテナンスのため)
ブレンボローターは、知り合いに持ち込み研磨してセンターを塗装して貰いました。
もちろん無料です。
取り敢えず取り付け可能になったのですが、ここで問題が発生しました。

取り付けた場合、現在のホイールではクリアランスがなく取り付けできません。
スペーサーを取り付けるとタイヤがはみ出してしまいます。
外径は18インチのため問題なし。
現在のホイールのクリアランス 約20mm〜24mm ローターからの距離 50mm前後
ノーマルローターからのクリアランスは、55mm以上必要みたいです。

(ブレンボローターの場合、厚みが純正より+5mm)
計算上5mmのスペーサーでクリア出来そうですがブレンボディスクと合わせると
現在より10mm外に出ます。
当然ボディからはみ出してしまいます。
現在のホイール 8.5J-18 ET 38 計算上 8.5J-18 ET 28 と同等
取り付けてもハブセンターが出なくなるので危険と判断
スペーサーは使用せずに接触する部分のホイールのディスク部分を削る(危険なので止めました)
一時は本気で取り付けを諦めてオークションに出そうかなとも考えました。
仕方なくホイールを交換する決断をしました。余計な出費です(涙)
今回のホイールは、クリアランスが約30mm〜33mm程度でした。
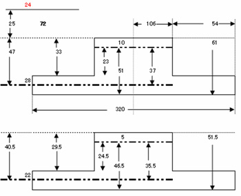
以下のデータは計算のため作成してみました。大まかなデータです。

ロータスキャリパーの幅は約140mmでセンターから外側までの距離は実測で71mmでした。
[メンテ22]
(←前)
(次→)