[メンテ33]
(←前)
(次→)
第206話 「BMW 320siのパーツを調べてみよう!」
(作成:2007年8月15日 改訂:2007年8月17日)
(TEXT & PHOTO : 中橋 / E90-320si & MINI Cooper Convertible)
今回はRealOEM.COMで
BMW 320siのパーツを調べるの巻です。
ETKなど純正パーツを調べるアプリケーションのCD/DVDを入手するというのが
マニアの間で一般的になっちゃってる今日この頃ですが、BMWおたっきーずとしては
お金も手間もかけずに手軽に調べられる方法がオススメです。
まず、RealOEM.COMにいって自分の調べたい車種を選びます。
もちろん今回はE90-320siをチョイス。

続いて自分の選びたいパーツのグループを選択します。
とりあえずエスアイならではということでENGINEを選択。

すると、サブグループを選択するフォームが現れますので、
たとえばCYLINDER HEADを選択してみます。

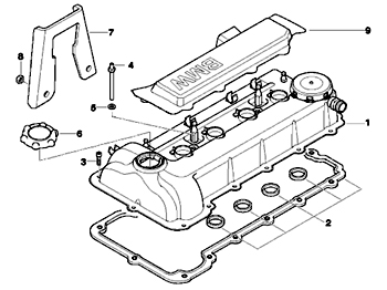
すると画面下部にイラストのダイアグラムが開きます。
ためしにシリンダーヘッドのイラストをクリックしてみましょう。

するとそのパーツを構成する部品一覧が表示されます。
もちろんパーツ番号も値段もわかります。

カーボンのヘッドカバーなんかもしらべられるわけです。
これはたまりませんよね?
ということで、エスアイのパーツリストを眺めながらハァハァする日々なのでした。
[メンテ33]
(←前)
(次→)